| 作動 | 液壓符號 | 類別 | 主訂購代號 | 流量 (l/min) |
壓力 (bar) |
成型孔 |
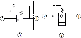
| 3 ports | ![]() |
無內導洩壓閥功能
3口插孔 無外部透氣孔 |
MB-2A-3N | 120 | 350 | 2A-3 |
| MB-17A-3N | 240 | 350 | 17A-3 | |||
| MB-19A-3N | 480 | 350 | 19A-3 |
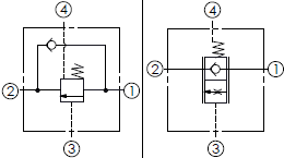
| 4 ports | ![]() |
4口插孔
透氣型 |
MW-22A-4N | 120 | 350 | 22A-4 |
| MW-23A-4N | 240 | 350 | 23A-4 | |||
| MW-24A-4N | 480 | 350 | 24A-4 |
| 作動 | 液壓符號 | 類別 | 主訂購代號 | 流量 (l/min) |
壓力 (bar) |
成型孔 |
| 3 ports | ![]() |
無內導洩壓閥功能
3口插孔 無外部透氣孔 |
MB-2A-3N | 120 | 350 | 2A-3 |
| MB-17A-3N | 240 | 350 | 17A-3 | |||
| MB-19A-3N | 480 | 350 | 19A-3 |
| 4 ports | ![]() |
4口插孔
透氣型 |
MW-22A-4N | 120 | 350 | 22A-4 |
| MW-23A-4N | 240 | 350 | 23A-4 | |||
| MW-24A-4N | 480 | 350 | 24A-4 |